因為南洋防爆電機是一種可以在易燃易爆廠所使用的一種電機,運行時不產生電火花,所以都是工作于像煤礦、石油天然氣、石油化工、化學工業、紡織、冶金、城市煤氣、交通、糧油加工、造紙、醫藥等惡劣的環境下,在很長時間試用下會使電機表面的油漆保護膜和電機銘牌產生傷害,讓我們無法正確辨認出是防爆電機型號,使我們的正常工作無法進行。如果我們還保留有防爆電機的產品說明書的情況還好說,就是怕在購買防爆電機時沒有好好保存好這些能證明防爆電機型號的證明。所以在電機有故障需要更換的時候,不知道應該更換哪一種,咱們開始盲目的查找。
比如下列圖片就是名牌模糊,無法辨認:
那么今天我要給大家說的是,假如上面的那種情況發生的話,咱們應該怎么做。
防爆電機型號的確認:
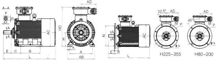
首先,需要知道防爆電機的中心高。電機底座面到電機軸承中心點的直線高度,即為中心高。如下圖所示為H。

其次,需要確認防爆電機的轉速。轉速怎么確認呢? 有一個公式可以幫助我們。即同步轉速:n=60f/p
f-電源頻率 P-電機極對數 n-同步轉速 實際轉速:只有轉子與旋轉磁場之間有相對運動,磁通才能切割轉子導條,才有轉子電動勢、轉子電流及轉矩,所以實際轉子的轉速與旋轉磁場之間存在一個速度差:s實際轉速:N=n*(1-s)s-轉差率
再次,需要確認防爆電機的電壓。即為360V,660V,1140,又或者是雙電壓360V/660V,660V1140V。
最后,需要確認防爆電機的安裝方式。即為立式,臥式和立臥兩用式。
下圖為B3設計圖:

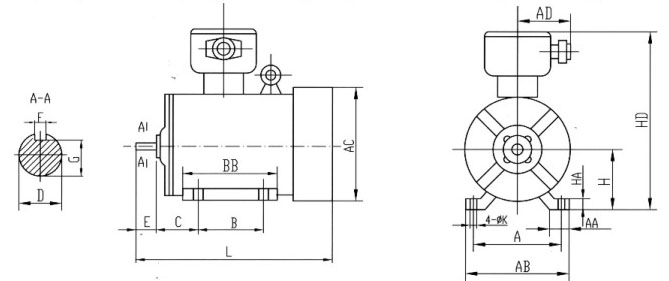
下圖為B5設計圖:

當然中間還需要確認很多的東西,比如防爆等級,防護等級等等。咱們就不在這里一一贅述了,當然,如果你還有不明白或者不清楚的地方,你可以訪問我們的網站:m.huamucity.com。或者電話咨詢。
Copyright 2006 - 2015 m.huamucity.com All rights
reserved.豫ICP備12015872號
版權所有:河南
省南洋防爆
電機有限公司 地址:河南省商水縣工業園區
緯五路與陽城路交叉口

